Կայուն դիֆերենցիալ ճնշման փոխանցիչները ժամանակակից արդյունաբերական գործիքավորման և գործընթացների ավտոմատացման կարևորագույն սարքեր են: Դրանք օգտագործում են առաջադեմ կայուն զգայունության տեխնոլոգիա՝ դիֆերենցիալ, չափիչ և բացարձակ ճնշումը բարձր ճշգրտությամբ և երկարատև կայունությամբ չափելու համար: Ավանդական մեխանիկական ճնշման սենսորներից տարբերվող այս փոխանցիչները չունեն շարժական մեխանիկական փոխանցման մեխանիզմներ , ինչը դրանք դարձնում է կոմպակտ, դիմացկուն և բարձր դիմացկուն թրթռումների նկատմամբ: Անկախ զրոյական և միջակայքային կարգավորումները ապահովում են ճշգրտություն՝ առանց փոխադարձ միջամտության, ինչը նպաստում է դրանց լայն կիրառմանը տարբեր ոլորտներում:

Չինաստանում շատ քաղաքներ ներդրել են ամերիկյան Rosemount ընկերության արտադրական գծեր, որոնք արտադրում են դիֆերենցիալ ճնշման , չափիչ ճնշման և բացարձակ ճնշման չափման տարբեր մոդելներ: Որոշ սարքեր ներառում են նաև քառակուսի արմատի արդյունահանում հոսքի չափման համար, ինչպես նաև բարձր ստատիկ ճնշման և միկրոդիֆերենցիալ ճնշման կիրառությունների համար նախատեսված տարբերակներ:
Կոնդենսացիոն դիֆերենցիալ ճնշման փոխանցիչը սովորաբար բաղկացած է երկու հիմնական միավորներից՝ չափման բաժին և փոխակերպման/ուժեղացման բաժին , ինչպես ցույց է տրված նկար 1- ում։

Նկար 1. Կոնդենսացիոն ճնշման փոխանցիչի սխեմատիկ դիֆերենցիալ սխեմա
1—Օսցիլյատոր 2—Կապացիտիվ սենսոր 3—Դեմոդուլյատոր 4—Տարածքի կարգավորում 5—Հոսանքի սահմանափակիչ
6—Հզորության ուժեղացուցիչ 7—Գործառնական ուժեղացուցիչ 8—Զրոյական կարգավորում և զրոյական տեղաշարժ
9—Տատանումների կառավարման ուժեղացուցիչ 10—Հղման լարման աղբյուր 11—Լարման կարգավորիչ 12—Բևեռականության շրջադարձից պաշտպանություն
Կոնդենսատորային սենսորը չափված դիֆերենցիալ ճնշումը (ΔP) փոխակերպում է կոնդենսատորի փոփոխության: Բարձր և ցածր դիֆերենցիալ կոնդենսատորները՝ C₂H և C₂L , գրգռվում են բարձր հաճախականության տատանիչով : Արդյունքում առաջացող հոսանքի տատանումները դեմոդուլացվում են՝ դիֆերենցիալ ազդանշաններ ( i₂L − i₂H ) և ընդհանուր ռեժիմի ազդանշաններ ( i₂L + i₂H ) առաջացնելու համար:
Դիֆերենցիալ ազդանշանը համեմատվում է հետադարձ կապի ազդանշանի հետ ( I f ), այնուհետև ուժեղացվում և վերածվում է 4-20 մԱ ելքային հաստատուն հոսանքի ։ Այս ելքային հոսանքը հոսում է բեռի դիմադրության և հետադարձ կապի ցանցով՝ պահպանելով գծային կապ դիֆերենցիալ ազդանշանի և ելքային հոսանքի միջև։
Կայունացուցիչ սենսորը բաղկացած է ֆիքսված էլեկտրոդային թիթեղից և շարժական չափիչ դիաֆրագմայից, որոնք կազմում են երկու կոնդենսատոր ( C₂H և C₂L ), որոնք միացված են բարձր և ցածր ճնշման խցիկներին: Երբ կիրառվում է դիֆերենցիալ ճնշում, դիաֆրագման շեղվում է՝ փոխելով տարողունակությունները: Բարձր հաճախականության տատանիչը (սովորաբար 32 կՀց) այս տարողունակության փոփոխությունները վերածում է հոսանքի տատանումների, որոնք ուժեղացվում և ուղղվում են՝ առաջացնելով 4-20 մԱ հաստատուն հոսանքի ազդանշան, որը համեմատական է կիրառվող դիֆերենցիալ ճնշման ΔP-ին:
Երբ հաղորդիչն օգտագործվում է հոսքի չափման համար՝ օրինակ՝ անցքային թիթեղների, վենտուրի խողովակների կամ ծայրակալների դեպքում, ազդանշանն անցնում է քառակուսի արմատի արդյունահանողի միջով՝ հոսքի արագության հետ գծային կապ ստանալու համար: Սարքը գործում է 24 Վ հաստատուն հոսանքի երկլար համակարգով , որը աջակցում է 12–45 Վ հաստատուն հոսանքի մատակարարման լարումներին և մինչև 600 Ω բեռի դիմադրություններին :
Երկխցիկ կոնդենսատորային դիֆերենցիալ ճնշման սենսորը ներկայացված է նկար 2- ում։

Նկար 2. Կոնդենսացիոն ճնշման սենսորի երկխցիկ կառուցվածքը
1, 4—Ալիքային նախշերով մեկուսիչ դիաֆրագմա; 2, 3—Չժանգոտվող պողպատե հիմք; 5—Ապակե շերտ; 6—Մետաղական թաղանթ; 7—Չափիչ դիաֆրագմա
Այս կառուցվածքում մետաղական թաղանթները (6) հանդես են գալիս որպես անշարժ էլեկտրոդներ, մինչդեռ չափիչ դիաֆրագման (7) ծառայում է որպես շարժական էլեկտրոդ: Դիաֆրագմայի երկու կողմերը կազմում են երկու առանձին խցիկներ, որոնք լցված են սիլիկոնային յուղով : Անսեղմելի հեղուկը դիաֆրագմայի մակերեսներին փոխանցում է դիֆերենցիալ ճնշումը՝ Δp = p_H − p_L:
Երբ Δp = 0 է, երկու կողմերի տարողունակությունները ( C₂H և C₂L ) հավասար են։ Երբ Δp ≠ 0 է, դիաֆրագման շեղվում է դեպի ցածր ճնշման կողմը, ինչը հանգեցնում է C₂L > C₂H-ի ։
Դիֆերենցիալ տարողունակության օգտագործումը նվազեցնում է դիէլեկտրիկ հաստատունի ջերմաստիճանի տատանումների պատճառով առաջացած սխալները, դրանով իսկ բարելավելով զգայունությունը, ճշգրտությունը և գծայինությունը, որոնք կարևոր գործոններ են արդյունաբերական գործընթացների կառավարման և ճնշման չափման մեջ։
Երբ Δp ≠ 0 է, տարողության տատանումը պատկերված է նկար 3- ում։

Նկար 3. Երկու կողմերում տարողության փոփոխությունները, երբ գոյություն ունի դիֆերենցիալ ճնշում
Հավասարումներ՝ 

Սկզբնական լարվածությամբ դիաֆրագմայի համար շեղումը համեմատական է դիֆերենցիալ ճնշմանը. 
Այստեղ K₁- ն կառուցվածքային հաստատուն է, որը կախված է դիաֆրագմայի կորությունից, էլեկտրոդների միջև հեռավորությունից և մեխանիկական լարվածությունից: Այս կապը ապահովում է, որ ելքային հոսանքը ուղիղ համեմատական լինի կիրառվող դիֆերենցիալ ճնշմանը ՝ ապահովելով չափման գերազանց ճշգրտություն:
Կոնդենսատորային ճնշման սենսորը դիֆերենցիալ ճնշումը վերածում է համամասնական տարողության փոփոխության: Այս տարողության չափման համար անհրաժեշտ է բարձր հաճախականության փոփոխական հոսանքի գրգռում , սովորաբար մոտ 32 կՀց :

Նկար 4. Օսցիլյատորի սխեմա Նկար 5. Օսցիլյատորի էլեկտրամատակարարում
Օսցիլյատորային սխեմա (Նկար 4)
Շղթան բաղկացած է փաթույթներից (6, 8 և 5, 7 ծայրակալներ) և C₂₀ կոնդենսատորից, որոնք կազմում են ռեզոնանսային օղակ, որը միացված է VT₁ տրանզիստորին: R₂₉ լարման դիմադրությունը սահմանում է ստատիկ աշխատանքային կետը: Հաճախականությունը որոշվում է L ինդուկտիվությամբ և C տարողունակությամբ:
Օսցիլյատորային էլեկտրամատակարարում (Նկար 5)
Քանի որ տարողունակության չափումը հիմնված է փոփոխական լարման վրա, օսցիլյատորի լարումը պետք է մնա կայուն : Բացասական հետադարձ կապի կառավարման օղակը ավտոմատ կերպով կայունացնում է լարումը՝ միաժամանակ ապահովելով բավարար մեկնարկային ամպլիտուդ:

Ինչպես ցույց է տրված նկար 6- ում, կոնդենսատորային հոսանքի առաջացման սխեման և լարման ձևավորման ցանցը պահպանում են հաստատուն գրգռում։

Նկար 6: Կոնդենսատորային հոսանքի առաջացման սխեմա և լարման U₂ առաջացման սխեմա
Երբ Δp ≠ 0, C_H-ը նվազում է, իսկ C_L-ը մեծանում, և երկուսի միջով անցնող ընդհանուր հոսանքը արտահայտվում է հետևյալ կերպ՝

Ավտոմատ հետադարձ կապը ապահովում է, որ I L + I H = K₂ (հաստատուն), պահպանելով լարման կայունությունը և կայուն զգայունությունը։
Կոնդենսատորային հոսանքի առաջացման միացումում. ![]()
![]()
![]()
Նախկին հարաբերությունների փոխարինում. 
Ընդհանուր ելքային հոսանք՝ ![]()
Այսպիսով, կոնդենսատորային դիֆերենցիալ ճնշման հաղորդիչի 4-20 մԱ ելքային ազդանշանը ուղիղ համեմատական է կիրառվող դիֆերենցիալ ճնշմանը։
Սարքը նաև ապահովում է զրոյական կարգավորում , տիրույթի կարգաբերում և հակադարձ բևեռականության պաշտպանություն ՝ ապահովելով կայուն և անվտանգ աշխատանք արդյունաբերական ճնշման չափման համակարգերում։
silverinstrumens.com կայքի կողմից արտադրվող SH շարքի ճնշման փոխանցիչները լայնորեն օգտագործվող երկլար 4-20 մԱ ճնշման փոխանցիչներ են, որոնք նախատեսված են ներքին անվտանգ և պայթյունապաշտպան միջավայրերի համար։
Հիմնական տեխնիկական բնութագրերը

Նկար 7. Էլեկտրամատակարարման լարման և բեռի դիմադրության միջև կապը
Երբ մատակարարման լարումը տատանվում է ±1 Վ-ով, ելքային հոսանքի տատանումը մնում է 0.005%-ից ցածր, ապահովելով ազդանշանի կայունություն և բարձր ճշգրտություն ։
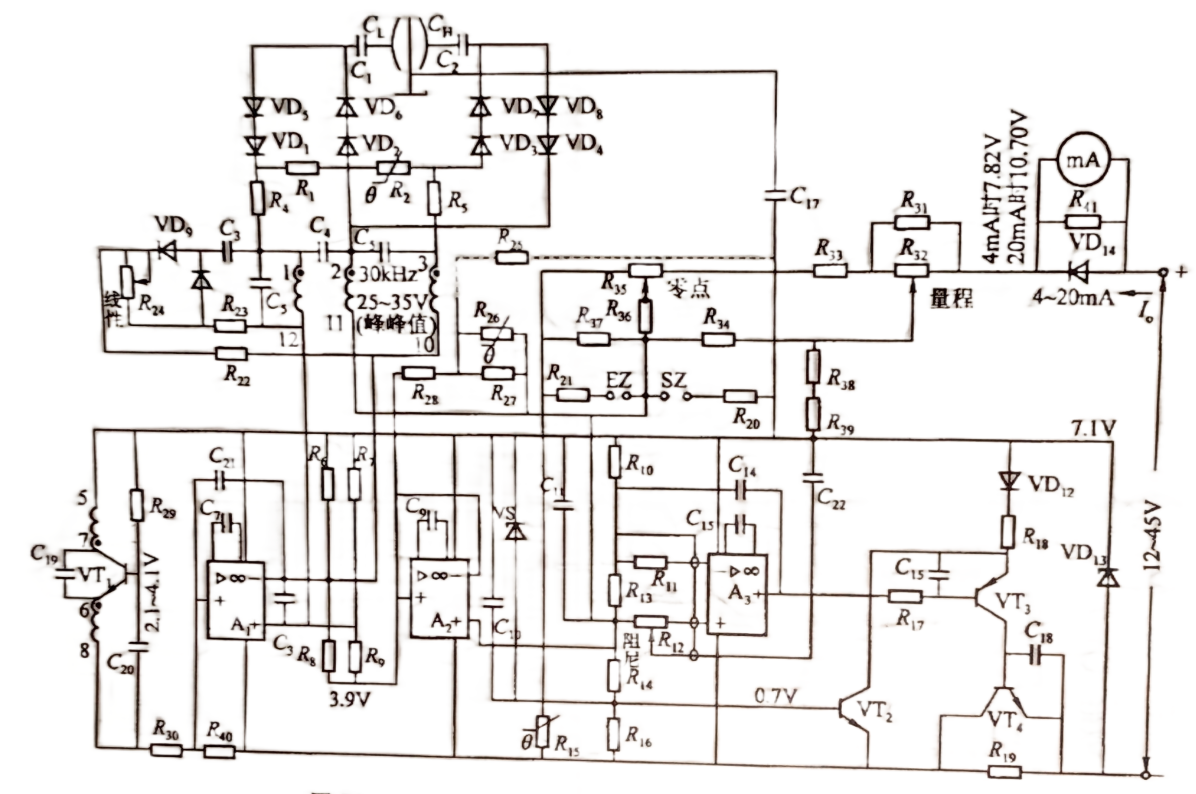
SHGP/SHDP դիֆերենցիալ ճնշման հաղորդիչի ընդհանուր սխեման ներկայացված է նկար 8- ում։

Նկար 8. SH շարքի մոդելի կոնդենսատորային ճնշման փոխանցիչի/DP սխեմայի նախագծում
Հիմնական բաղադրիչներ և գործառույթներ՝
Այս տարրերը ապահովում են ճշգրիտ և կայուն աշխատանք տարբեր արդյունաբերական պայմաններում, ինչը SHGP/SHDP շարքը դարձնում է ամբողջ աշխարհում գործընթացների կառավարման և գործիքավորման համար ամենահուսալի կոնդենսատորային դիֆերենցիալ ճնշման փոխանցիչներից մեկը։
Ցածր ճնշման հաղորդիչներ
2025/10/12
Ցածր ճնշման հաղորդիչ՝ 16-60 մբար: Բարձր ճշգրտություն՝ ±0,1~0,5% Հարթ արձանագրություն, 4-20 մԱ ելք: Թվային էկրան mbar,psi,pa:
VIEW
Կերամիկական ճնշման սենսոր
2025/10/12
Կերամիկական կոնդենսիվ ճնշման սենսոր: Լվացման և քայքայման դիմացկուն սենսոր: Ճնշման սենսորի թողունակությունը 4-20 մԱ: Ցելյուլոզա և թղթի արդյունաբերության համար.
VIEW
Կարողունակ ճնշման սենսոր 3351
2025/10/12
Կոնդենսատիվ ճնշման սենսորը ամբողջ եռակցված շինությունն է չժանգոտվող պողպատից նյութով: Այս տեսակի ճնշման սենսորը պետք է զգա ճնշումը կամ դիֆերենցիալ ճնշումը սենսորը յուղով լցնելու միջոցով:
VIEW
SH 308 սերիայի ցրված սիլիցիումի ճնշման հաղորդիչ
2025/10/12
SH 308 սերիայի դիֆուզիվ սիլիցիումի ճնշման հաղորդիչի SH 308 շարքի դիֆուզիվ սիլիցիումի ճնշման հաղորդիչները ընդհանուր տեղեկություններ են ընտրում ներմուծված որակյալ սիլիցիումի ճնշման սենսորի բաղադրիչները...
VIEW
SHDP / GP DP / ureնշման հաղորդիչ ՝ հեռակա դիֆրագմայի կնիքներով
2025/10/12
SHDP / GP դիֆերենցիալ ճնշման / ճնշման հաղորդիչը հեռակա դիֆրագմայի կնիքներով ապահովում է մի տեսակ հուսալի չափման միջոց `խուսափելու համար չափված միջավայրը ուղղակիորեն կապվելով կնիքի միջնապատի հետ ...
VIEW
SHLT տիպի մակարդակի հաղորդիչ
2025/10/12
SHLT (խելացի) եզրային տիպի մակարդակի հաղորդիչը կարող է իրականացնել ճշգրիտ մակարդակի չափում և խտություն բոլոր տեսակի տարաների համար: Առկա է ողողման եզր և երկարացված եզր, 3 "կամ 4", 1501b կամ 3001b եզր,...
VIEW
մենք ձեզ հետ կկապվենք 24 ժամվա ընթացքում.